Merkliste: 0 Produkte   » Merkliste anzeigen «

Sie haben Fragen zu unseren Produkten oder Dienstleistungen?

Rufen Sie uns an:
+49 (0) 6874 / 18 22 77

Oder senden Sie uns eine E-Mailanfrage:
info@holbach.biz

Umweltanalytik Holbach GmbH

Ionometer zur Messung der Luftionen

IM806V2 (Nur zur Info)

  • Ionometer IM806V2

Das Ionometer IM806V2 ist nicht mehr verfügbar wurde durch das Ionometer IM806V3 ersetzt.

Präzise Messungen von Luftionen in Innenräumen, Funktionsräumen, Produktionsstätten und Fahrzeugen werden immer wichtiger. Luftionen stellen aufgrund ihrer geringen elektrischen Ladung hohe technische Anforderungen an das Ionometer, dem Messgerät zur Messung der Ionenkonzentration.

Das Ionometer IM806V2 – eine Weiterentwicklung des IM806 – verfügt über zwei Messkanäle zur gleichzeitigen Messung der elektrisch positiv und negativ geladenen Luftionen.

Die Vorteile des IM806V2:

  • laminare Strömung
  • offenes Messsystem
  • beleuchtetes Grafikdisplay
  • automatischer, periodischer Nullpunktabgleich
  • Akku- und Netzbetrieb
  • USB- und Netzwerkschnittstelle
  • integrierte microSD-Speicherkarte (Industriestandard)
  • stabiles Aluminiumgehäuse
  • kompakte Abmessungen
  • Lüfterüberwachung
  • konfigurierbare Analogausgänge
  • integrierter barometrischer Drucksensor
  • Anschluss für optionalen externen Klimasensor HC2A-S
Ausführung

Funktion

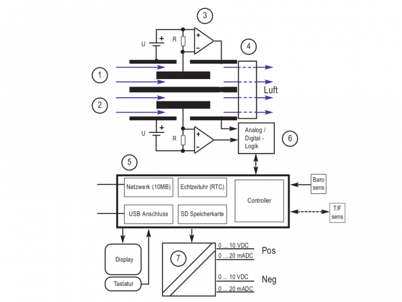
Funktionsprinzip des Ionometers IM806v2

Das Messsystem besteht aus zwei äußeren Rohrelektroden (1 u. 2), in die zentrisch und elektrisch isoliert je eine kleinere Elektrode montiert sind. Zwischen den äußeren und den inneren Elektroden wird ein Gleichspannungspotenzial angelegt und somit ein elektrisches Gleichfeld zwischen den Elektroden erzeugt. Der Ventilator (4) saugt kontinuierlich Luft mit einem definierten Volumenstrom durch die beiden Rohrelektroden. Das elektrische Gleichfeld übt im Elektrodenbereich eine Kraft auf die Ionen in der durchströmenden Luft aus (Coulombsches Gesetz) und lenkt sie zu den inneren Elektroden. Da die Polaritäten der angelegten Spannung in den beiden Elektroden unterschiedlich sind, werden in der einen Elektrode die positiv geladenen Ionen und in der anderen Elektrode die negativ geladen Ionen zur Innenelektrode beschleunigt. Die Strömungsgeschwindigkeit der Luft, die Höhe der Ablenkspannung und die Geometrie der Elektroden sind so bemessen, dass die Ionen ab einer definierten Ionenbeweglichkeit die inneren Elektroden erreichen. Luftionen mit einer geringeren Ionenbeweglichkeit (Mittel- und Großionen) erreichen nur teilweise die Innenelektrode.

Der bei der Ladungsneutralisierung fließende Ladungsstrom erzeugt an sehr hochohmigen Widerständen (R) (bis zu 1011 Ohm) einen messbaren Spannungsabfall, der mit geeigneten Messverstärkern (3) zu einem der Luftionenkonzentration proportionalen Messwertsignal aufbereitet und noch in der Vorstufe (6) digitalisiert wird.

Gesteuert wird der gesamte Ablauf mit einem Mikrokontroller (5) der außerdem das Display, die Speicherlogik, die Analogausgänge (7), die USB-Schnittstelle, die Netzwerkschnittstelle und die Klimasensoren bearbeitet.

Das IM806V2 verfügt über einen integrierten barometrischen Drucksensor.

Optional ist ein externer Temperatur- und Feuchtesensor (T/F sens) zur Erfassung der Lufttemperatur und relativen Luftfeuchtigkeit verfügbar.
Die Klimadaten werden ebenfalls gespeichert.

Anwendung

Ionometer zur Messung der Luftionenkonzentration finden Anwendung in:

  • der Baubiologie und Umweltanalytik zur Überprüfung des Raumklimas und zur schnellen Detektion von ionisierender Strahlung (z.B. durch Radongas) und Erfassung von elektrischen Gleichfeldern aufgrund Ionenreduktion
  • der Qualitätssicherung in der Industrie zur Überprüfung von Ionisatoren im Produktionsprozess
  • der Klima-, Lüftungs- und Filtertechnik zur qualitativen Überprüfung der raumlufttechnischen Anlagen (RLT)
  • der Medizintechnik zur Forschung, Entwicklung und Produktkontrolle
  • ionisierten Produktionsräumen zur Produktionsmittelüberwachung
  • radiologischen Forschungseinrichtungen und Herstellerfirmen
  • der Fahrzeugindustrie zur Entwicklung und Qualitätssicherung bei Lüftungs- und Klimaanlagen

Software

Programmoberfläche IM806.exe

Mit der im Lieferumfang enthaltenen PC Software (für Microsoft Windows XP und neuer) kann das IM806V2 konfiguriert und ferngesteuert werden. Die Software ist auch zum Vorgängermodell IM806 kompatibel.

Die gespeicherten Daten können in eine Textdatei zur weiteren Verarbeitung oder direkt in einer modifizierbaren EXCEL Vorlage grafisch dargestellt werden. Der automatische Makroaufrauf nach der Übertragung der Daten ermöglicht die kundenspezifische Verarbeitung und grafische Aufbereitung der Messwerte.

Lieferumfang

  • Messgerät IM806V2
  • Schnellladegerät
  • Handbuch
  • USB-Verbindungskabel
  • Kabel mit Klemme für den Ladungsausgleich
  • Software IM806.EXE zur Konfiguration und Messwertverarbeitung
Funktionsprinzip des Ionometers IM806v2

Das Messsystem besteht aus zwei äußeren Rohrelektroden (1 u. 2), in die zentrisch und elektrisch isoliert je eine kleinere Elektrode montiert sind. Zwischen den äußeren und den inneren Elektroden wird ein Gleichspannungspotenzial angelegt und somit ein elektrisches Gleichfeld zwischen den Elektroden erzeugt. Der Ventilator (4) saugt kontinuierlich Luft mit einem definierten Volumenstrom durch die beiden Rohrelektroden. Das elektrische Gleichfeld übt im Elektrodenbereich eine Kraft auf die Ionen in der durchströmenden Luft aus (Coulombsches Gesetz) und lenkt sie zu den inneren Elektroden. Da die Polaritäten der angelegten Spannung in den beiden Elektroden unterschiedlich sind, werden in der einen Elektrode die positiv geladenen Ionen und in der anderen Elektrode die negativ geladen Ionen zur Innenelektrode beschleunigt. Die Strömungsgeschwindigkeit der Luft, die Höhe der Ablenkspannung und die Geometrie der Elektroden sind so bemessen, dass die Ionen ab einer definierten Ionenbeweglichkeit die inneren Elektroden erreichen. Luftionen mit einer geringeren Ionenbeweglichkeit (Mittel- und Großionen) erreichen nur teilweise die Innenelektrode.

Der bei der Ladungsneutralisierung fließende Ladungsstrom erzeugt an sehr hochohmigen Widerständen (R) (bis zu 1011 Ohm) einen messbaren Spannungsabfall, der mit geeigneten Messverstärkern (3) zu einem der Luftionenkonzentration proportionalen Messwertsignal aufbereitet und noch in der Vorstufe (6) digitalisiert wird.

Gesteuert wird der gesamte Ablauf mit einem Mikrokontroller (5) der außerdem das Display, die Speicherlogik, die Analogausgänge (7), die USB-Schnittstelle, die Netzwerkschnittstelle und die Klimasensoren bearbeitet.

Das IM806V2 verfügt über einen integrierten barometrischen Drucksensor.

Optional ist ein externer Temperatur- und Feuchtesensor (T/F sens) zur Erfassung der Lufttemperatur und relativen Luftfeuchtigkeit verfügbar.
Die Klimadaten werden ebenfalls gespeichert.

Ionometer zur Messung der Luftionenkonzentration finden Anwendung in:

  • der Baubiologie und Umweltanalytik zur Überprüfung des Raumklimas und zur schnellen Detektion von ionisierender Strahlung (z.B. durch Radongas) und Erfassung von elektrischen Gleichfeldern aufgrund Ionenreduktion
  • der Qualitätssicherung in der Industrie zur Überprüfung von Ionisatoren im Produktionsprozess
  • der Klima-, Lüftungs- und Filtertechnik zur qualitativen Überprüfung der raumlufttechnischen Anlagen (RLT)
  • der Medizintechnik zur Forschung, Entwicklung und Produktkontrolle
  • ionisierten Produktionsräumen zur Produktionsmittelüberwachung
  • radiologischen Forschungseinrichtungen und Herstellerfirmen
  • der Fahrzeugindustrie zur Entwicklung und Qualitätssicherung bei Lüftungs- und Klimaanlagen
Programmoberfläche IM806.exe

Mit der im Lieferumfang enthaltenen PC Software (für Microsoft Windows XP und neuer) kann das IM806V2 konfiguriert und ferngesteuert werden. Die Software ist auch zum Vorgängermodell IM806 kompatibel.

Die gespeicherten Daten können in eine Textdatei zur weiteren Verarbeitung oder direkt in einer modifizierbaren EXCEL Vorlage grafisch dargestellt werden. Der automatische Makroaufrauf nach der Übertragung der Daten ermöglicht die kundenspezifische Verarbeitung und grafische Aufbereitung der Messwerte.

  • Messgerät IM806V2
  • Schnellladegerät
  • Handbuch
  • USB-Verbindungskabel
  • Kabel mit Klemme für den Ladungsausgleich
  • Software IM806.EXE zur Konfiguration und Messwertverarbeitung

Weitere Informationen

Ansaugverlegung

Zur direkten Messung an Quellen und zur Vermeidung von Anprall-Turbulenzen in Luftströmungen steht die optionale Ansaugverlegung zur Verfügung.

Die Ansaugverlegung wird einfach an das Ionometer IM806V2 angeschraubt. Über die Schrauben wird die Ansaugverlegung elektrisch mit dem Gehäusepotenzial verbunden.

Außerdem können auf die Ansaugverlegung Einlaufdüsen zur Anpassung des Volumenstromes bei Messungen in externen Strömungen aufgesteckt werden. Die Einlaufdüsen werden nach Kundenangabe berechnet und gefertigt.

Netzwerkanschluss

Durch den Netzwerkanschluss können die aktuellen Messwerte und die aktuelle Konfiguration netzwerkweit in einem Web-Browser angezeigt werden.

Zudem erlaubt der integrierte FTP-Server den einfachen und schnellen Zugriff auf aufgezeichnete Messwerte.

Unsere Produkte

Produktübersicht

Mikrobiologie

  » MBASS30V3

  » LKS 30 & LKS100

  » PS 30

  » FA 30

  » AS100

Pumpen
  » BiVOC2V2

Ionometer
  » IM806V3

Merkliste
Merkliste:  0 Produkte
» Merkliste anzeigen «
Made in Germany
Impressum  •  Datenschutz  •  Disclaimer